I-LEFOO DC Motor Peristaltic pump LFP203 / DB iyidivayisi yokufakwa kwamakhemikhali oketshezi noma ukudluliswa koketshezi okubonakalayo. Isilinganiso sokugeleza siyalungiswa. Ipulasitiki eliqinile elihlala ithubhu, i-roller, imoto engenabhulashi, nokuthwala. I-roller ngeke ixhumane ngqo noketshezi futhi ayikho ingozi yokungcoliswa kokuvuza ngaphandle kokuthi ishubhu senziwe. Ukuthenga amaphampu e-peristaltic ashibhile ngqo embonini yaseLefoo.
Izici:
* Ukunemba okuphakeme, ukunemba kokulinganisa kuyizinga eliphezulu emboni
* Umsindo ophansi, uthule futhi uzinzile, ofanele ukusetshenziswa ekhaya
* Impilo isikhathi eside, ukusebenza okufinyelela kumahora angu-80
* Ukususwa okulula nokushintshwa kwamapayipi okusheshayo (akukho amathuluzi adingekayo)
Impompu
UMPHATHI WEMITHI
| I-LEFOO DC Motor Peristaltic Pump LFP203DB | |
| Indlela yokufaka | Ipuleti lokufakwa kwensimbi yensimbi ephuthayo (Uhlelekile) |
| Indlela yokushaya | Igiya lebhulashi le-DC |
| Indlela yokulawula | Ukusebenza kokushaya |
| Umsebenzi | Ukunikezwa okungaguquguquki kwejubane |
| Umsebenzi Wokusebenza | DC12V,DC24V |
| Amandla | ≤8w |
| Ingcindezi yokuphuma | ≤0.1 Mpa |
| Imvelo esebenzayo | Izinga lokushisa: 0-45℃ Umswakama ohlobene: <85%RH |
| Ubuningi be-Roller | Ama-roller 2 ajwayelekile (4) |
FLOW STANDARD (ML / MIN)
| IVoltage | Isilinganiso sokugeletha | I-Hoses | Izinto ezibonakalayo |
| 12V / 24V | 110-315 | 16# | I-BPT |
| 125-305 | 3 * 5 | ||
| 190-490 | 4 * 6 | ||
| 120-340 | 16# | I-Silicone Tube | |
| 140-330 | 3 * 5 | ||
| 200-500 | 4 * 6 | ||
| 110-315 | 16# | A-60-G | |
| 125-305 | |||
| 190-490 | 4 * 6 | ||
| 100-280 | 16# | I-Fluorine | |
| 115-270 | 3 * 5 | ||
| 170-400 | 4 * 6 |
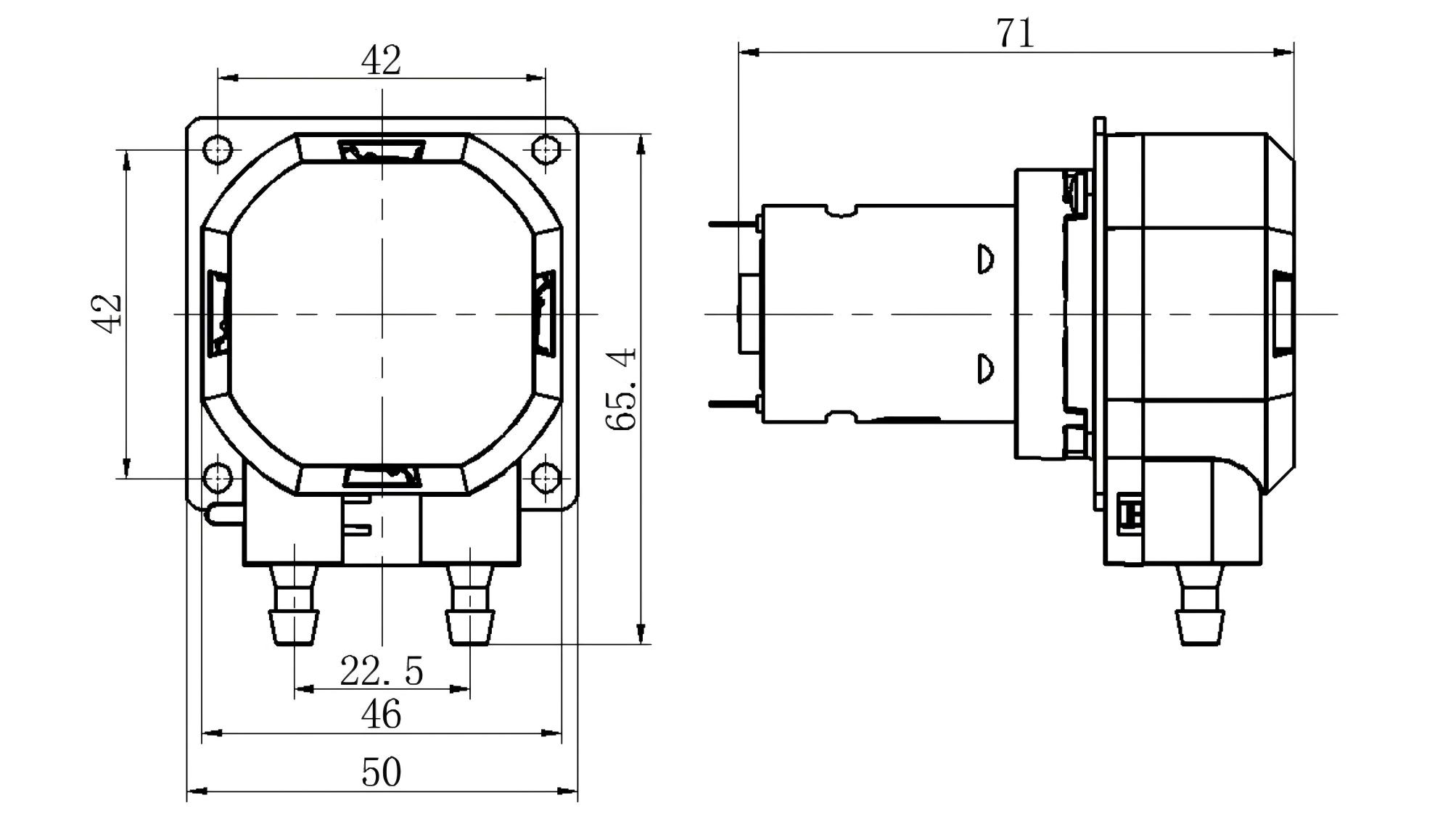
DIMENSION (MM)

Ukunemba okuphezulu, ukunemba kokulinganisa kuyizinga eliphezulu emboni
Umsindo ophansi, uthule futhi uzinzile, ofanele ukusetshenziswa ekhaya
Impilo ende, isebenza ukuphila okufinyelela kumahora angu - 80
Ukususwa okulula nokushintshwa kwamapayipi okusheshayo (akukho amathuluzi adingekayo)
Uhla lwezinto zeshubhu luyatholakala ukuphatha uhla lwamakhemikhali ahlukene kanye nezinketho zokuhlanzeka zokudla nokusakazwa kweziphuzo ukwenza.
Umshini Wokudla
Isihambisi sokuphuza
Ukunikezwa kwe-desergen
Umshini we-dish-Washing,
Imishini Yokuhlaziya Umshini
Isampula yensimbi yokuhlaziya & yokuhlola
Izinto zokunyathelisa: Ukunikezwa kuka-inki
I-Khischen Apparatus
I-Apparatus Yokuhlaza
Izimpahla Zokuhlaza Izimoto Ezihlaziya
Umshini wephuzo
Ukuhambisa iziphuzo
Umshini Wokuphuza
Imithombo yesiphuzo seSoda
Imishini yokuphisa ibhier
Umshini wekhofi
Ukuhambisa i-Ice cream
Imishini yokuxilonga igazi
Ukulima imifino
Amashalofu angaphakathi akhulayo
Ukulima Kwangaphakathi
Ukulima Okuqondile
Umshini wokuwasha ezentengiso
Isisetshenziswa sezokwelapha
Ukwelashwa kwamanzi
Ukuhlaziywa kwegesi
Umshini wokuphrinta
I-Aquarium
Ama-Hydroponics
Ukugcwala kwezolimo
Isampuli yelebhu
I-dishwasher
I-Robot Sweeper
Ichibi Lokubhukuda
Uphenyo Lomkhiqizo
16 Mar 2025
Izinhlobo Zokuphomba Kwamanzi Nokuhlaziya01 Mar 2025
Ulwazi Ngezingcindezi Zokufuduka13 Feb 2025
I-LEFOO I-Innovations e-Aquatech Amsterdam 205512 Jun 2024
Ukuvula Amanzi Ahlanzekile: Indlela Amapompa Okuthuthukisa Ngayo Izinhlelo Zokuhlanza
English
français
Deutsch
Español
italiano
русский
português
العربية
Türkçe
Zulu
